dobry den mam sporák La Nordica TermoRosa XXL D.S.A. 4.0 můžu v něm topit když jestě není připojena voda a ve vyměníku není
- Akce a výprodej
- Nová zelená úsporám
- Zahradní technika
- Krby a kamna
- Vybavení na zahradu
- Nářadí na stavbu
- Kominické služby
Všeobecně oblíbený, mnoha lety vyzkoušený je sestaven z ocelových a litinových komponentů. Na vnější obklad jsou použity kachlové desky a bloky. Dvojité spalování je rozšířeno o automatický třetí (terciární vzduch), omývání skla teplým sekundárním vzduchem má vliv na čistotu prosklení. To vše jsou výhody které se cení. Šestiletá výroba prošla mnoho zlepšeními a již několik let používaným novým výměníkem tepla se systémem D.S.A. byla završena poslední vývojová etapa. Vnější kachlový obklad v několika barvách nebrání instalaci do rozličných prostorů a vybavení domácností.
Absolutní favorit pro vaření, pečení, lokální vytápění a do ústředního topení.

Základní nosný korpus je sestaven z ocelových pozinkovaných plechů. Tato konstrukce vynikne především při použití ve starých objektech, kde je zvýšená vlhkost a zinek plně zabrání reznutí.
Aby bylo hoření stejně kvalitní jako v běžných sporácích, nezasahuje výměník až k roštu, ale začína asi 10 cm nad ním. To umožňuje udržovat na roštu stálou vrstvu žhavých uhlíků vzniklou po vyhoření plynů. Po novém přiložení se dřevo vznítí snadněji a nepřipéká se na boční stěny teplosměrných ploch.
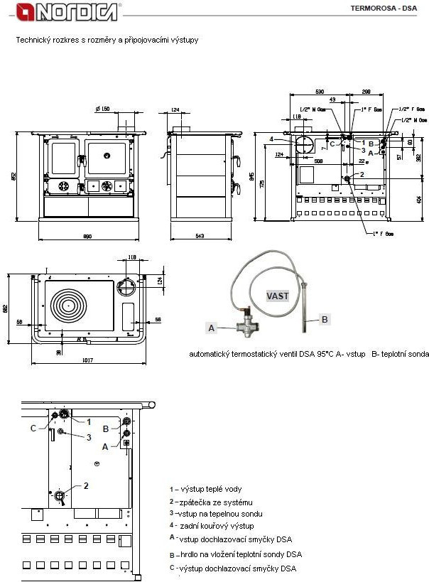
Teplovodní výměník je vyroben v systému DSA.
Těsnost každého kusu je ve výrobě kontrolována na 6 Barů. To je až 3x více než je provozní tlak a prakticky zcela vylučuje pozdější poškození. Zabudovanou dochlazovací smyčka ve spojení s termostatickým ventilem chrání výměník před přehřátím způsobeném např. při výpadku energie. Vnitřní povrchová barva výměníku je žáruodolná a při instalaci automatického antikondenzačního okruhu je životnost prakticky neomezená! Pro zvýšení odolnosti propálení trouby je ještě vložen nerezový plech a rafinovaná přepážka. Vede plyny tak, aby po celé ploše varné plotny byla teplota rovnoměrná. Litinový rám s vloženou zabroušenou plotnou pro dokonalé vaření mají nad ohništěm 5 odnímatelných kruhů. Celá tato sestava má zespoda litinové výstupky – výstuhy, které prakticky odstraňují prasknutí a prohnutí. Dvířka na přikládaní i k troubě jsou litinová a jsou zcela identická s kamnovými výrobky. Využívají novou konstrukci pravoúhlých výstuh, takže je zcela vyloučeno kroucení v závislosti na teplotě. Pod roštem je velký popelník přístupný také litinovými dvířky s regulátorem roztápěcího – primárního vzduchu. Zcela dole je výsuvná zásuvka na dřevo. Ještě nesmíme opomenout automatickou regulaci hoření termostatem, kde se nastavuje teplota vody, která je potom udržována a zabudovaný teploměr pro přesnou teplotu na pečení. Kachlový obklad s nejpopulárnější barvu bordó ale také obložení mastkem si nachází své zájemce.
| Výkon do vzduchu v kW: | 6,5 | ||
| Výkon do vody v kW: | 9 | ||
| Spotřeba paliva v kg/h: | 4,5 | ||
| Velikost kouřovodu v mm: | 150 | ||
| Vývod kouřovodu: | horní, zadní | ||
| Účinnost v %: | 79,9 | ||
| Hmotnost v kg: | 211, mastek - 226 | ||
| Výhřevnost prostoru při zateplení 35W/1m3: | 444 | ||
| Velikost externího vzduchu v mm: | bez přímého napojení | ||
| Výška v mm: | 852 | ||
| Šířka v mm: | 1017 | ||
| Hloubka v mm: | 662 | ||
| Typ spalování: | Třístupňové | ||
| Obklad: | keramika, kámen | ||
| Konstrukce spalovacího prostoru: | litina, Nordiker | ||
| Typ roštu: | Zvedací | ||
| Popelník: | Vyjímatelný | ||
| Velikost polen v mm: | 250 | ||
| Rozměr vstupního otvoru do spalovacího prostoru v mm: | 220x265 | ||
| Rozměry spalovacího prostoru v mm: | 265x285x400 | ||
| Rozměry trouby v mm: | 330x300x410 | ||
| Přenos tepla: | sáláním, vodou | ||
| Doporučený tah komínu v Pa: | 17 - 20 | ||
| Hmotnostní průtok spalin v g/s: | 15,5 | ||
| Výstupní teplota spalin v °C: | 241 | ||
Možnost výběru z více barevných provedení korpusů.
Při vytváření objednávky uveďte prosím název požadovaného barevného provedení.


|
Tyto kamna jsou Zakázková Výroba Skladovost u produktu je pouze orientační, všechna kamna jsou vždy zadávána na výrobu (objednávku), orientační dobu výroby Vám sdělíme e-mailem či telefonicky po objednání a uhrazení vaší objednávky. Kamna jsou zakázková výroba, nikoli e-shopový skladový prodej.Kupující bere na vědomí, že jako „Zakázková výroba“ jsou označeny takové výrobky, které jsou vyráběny na zakázku. |
| Typ produktu: | sporáky |
|---|---|
| Obklad: | customfieldsforall |
| Obrázky variant 2: | 420 |
| Účinnost: | 79,9 % |
| Externí přívod vzduchu: | Ne |
| Palivo: | dřevo |
| Barva: | customfieldsforall |
| Způsob vytápění: | teplovodní |
| Plotýnka: | Ano |
| Trouba: | Ano |
| Ventilátor: | ne |
| Nominální výkon: | 15,5 |
| Vytápěcí schopnost: | 444 |
| Rozměr - V x Š x H: | 852 x 1017 x 662 |
| Ø kouřovodu: | 150 |
| Horní připojení kouřovodu: | Ano |
| Výška horního napojení od země po límec kouřovodu: | 895 |
| Zadní připojení kouřovodu: | Ano |
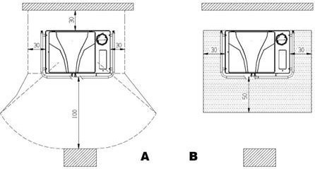
| Vzdálenost od hořlavých materiálů za kamny: | 200 |
| Vzdálenost od hořlavých materiálů z boku kamen: | 180 |
| Max. délka polena: | 40 |
| Vzdálenost od středu horního vývodu po zadní okraj kamen: | 124 |
| Vzdálenost od země do středu zadního vývodu kouřovodu: | 725 |
| Výkon do vody: | 9 |
| Výkon do vzduchu: | 6,5 |
| Prosklení: | čelní |
| Průměr kouřovodu: | 150mm |
| Váha bez obalu (Netto): | keramika 211 kg / mastek 226 |
| Váha s obalem (Brutto): | keramika 221 kg / mastek 236 |
| Povolená paliva: | Dřevo, ekobrikety |
| Spotřeba paliva při nominálním výkonu: | 4,5 |
| Vzdálenost od hořlavých materiálů před kamny: | 1000 |
| Emisní hodnota CO: | 0,12 |
| Velikost trouby (V x Š x H): | 300x330x410 |
| Objednací číslo: | LN-91 |
|---|---|
| Výrobce: | Sporáky s výměníkem NORDICA | Vše od NORDICA |
| Kategorie: | Sporáky na tuhá paliva s výměníkem |
| Dostupnost: | Skladem |
Počet příspěvků: 2, poslední přidán 15.12.2023 13:51
dobry den mam sporák La Nordica TermoRosa XXL D.S.A. 4.0 můžu v něm topit když jestě není připojena voda a ve vyměníku není
Potřebovala bych seznam servisů na tyto kamna.Kde najdu kontakty ,prosím?Děkuji.
Kňovice 2, Sedlčany
+420 604 169 665
Máme otevřeno
Po-Pá: 8-17 hod
So-Ne: zavřeno